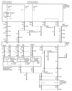
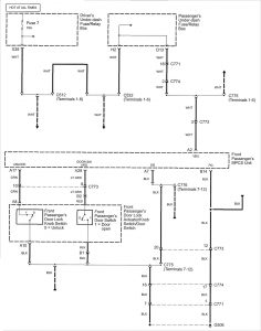
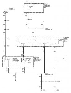
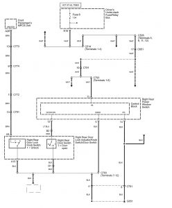
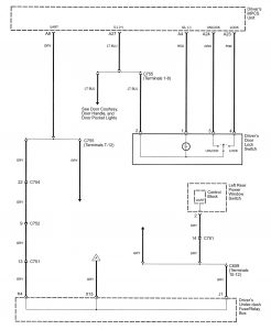
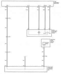
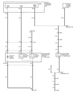
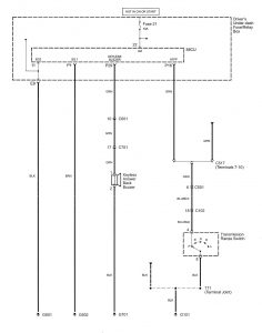
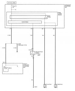
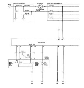
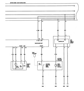
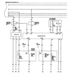
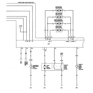
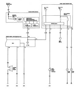
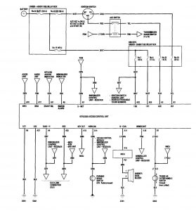
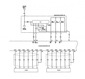
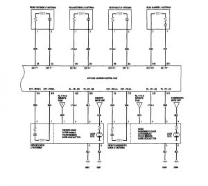
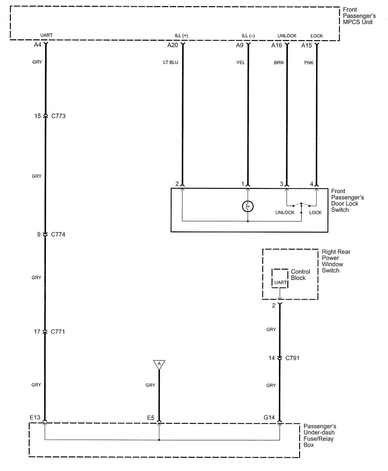
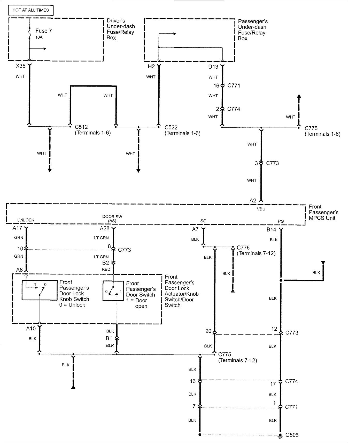
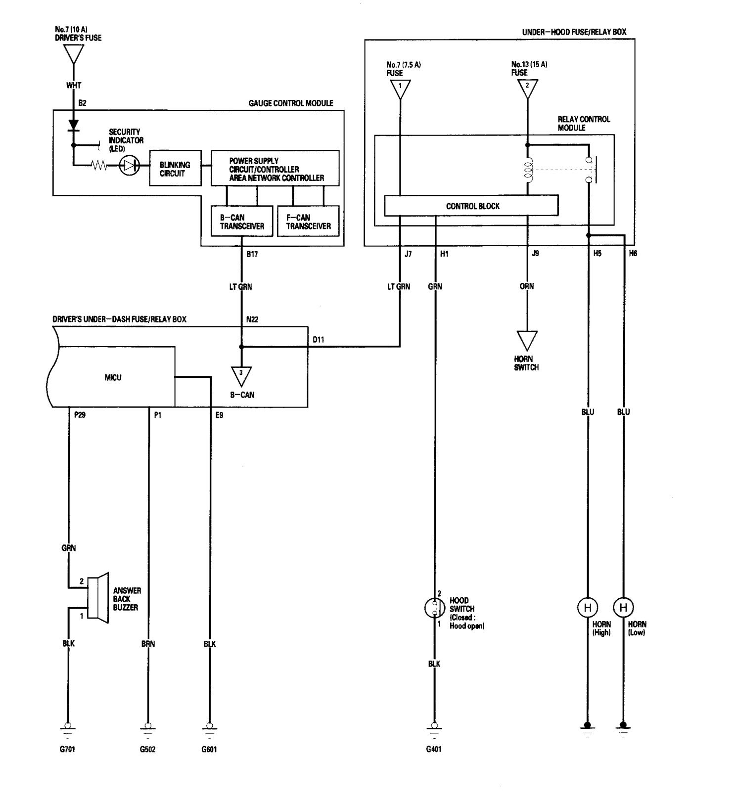
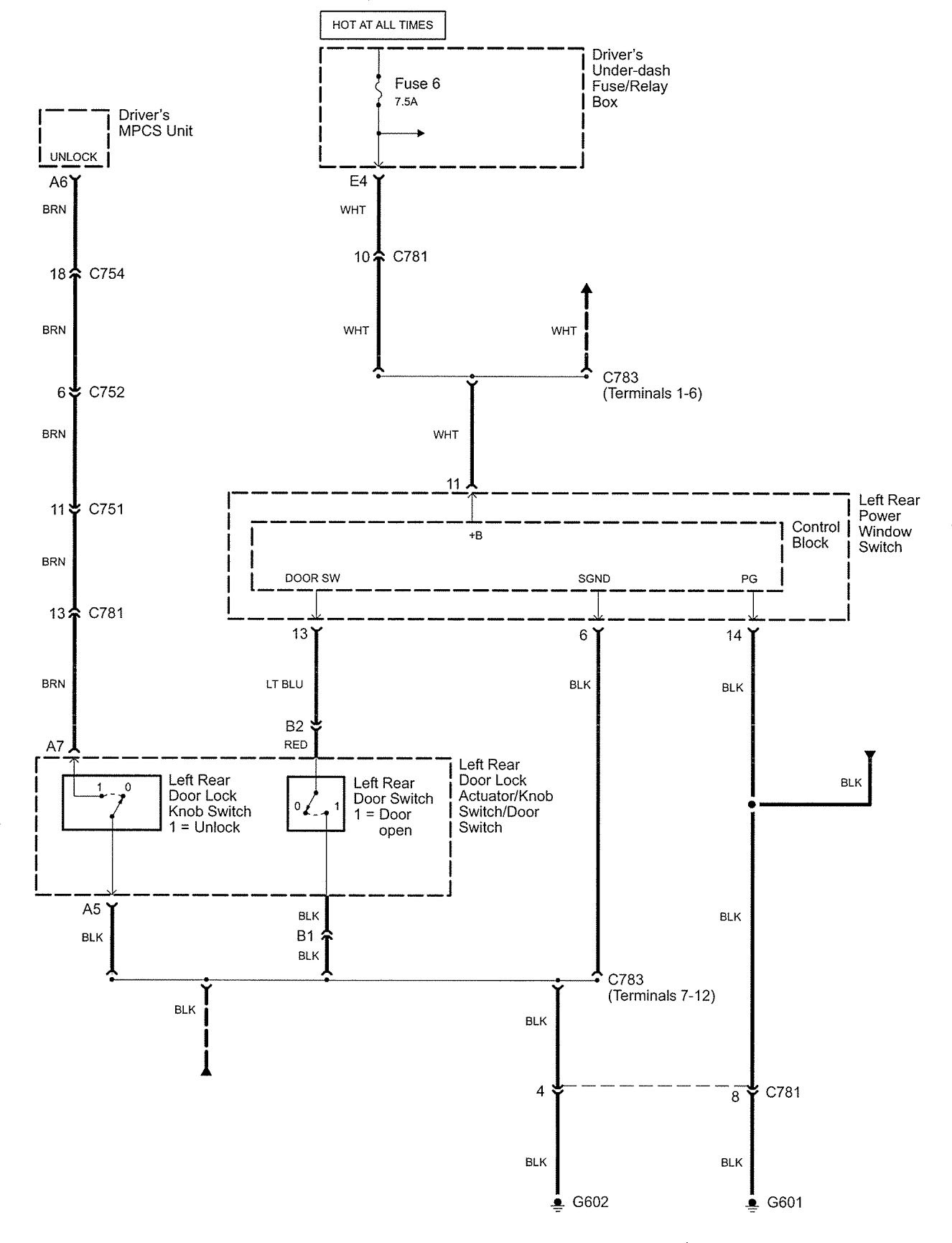
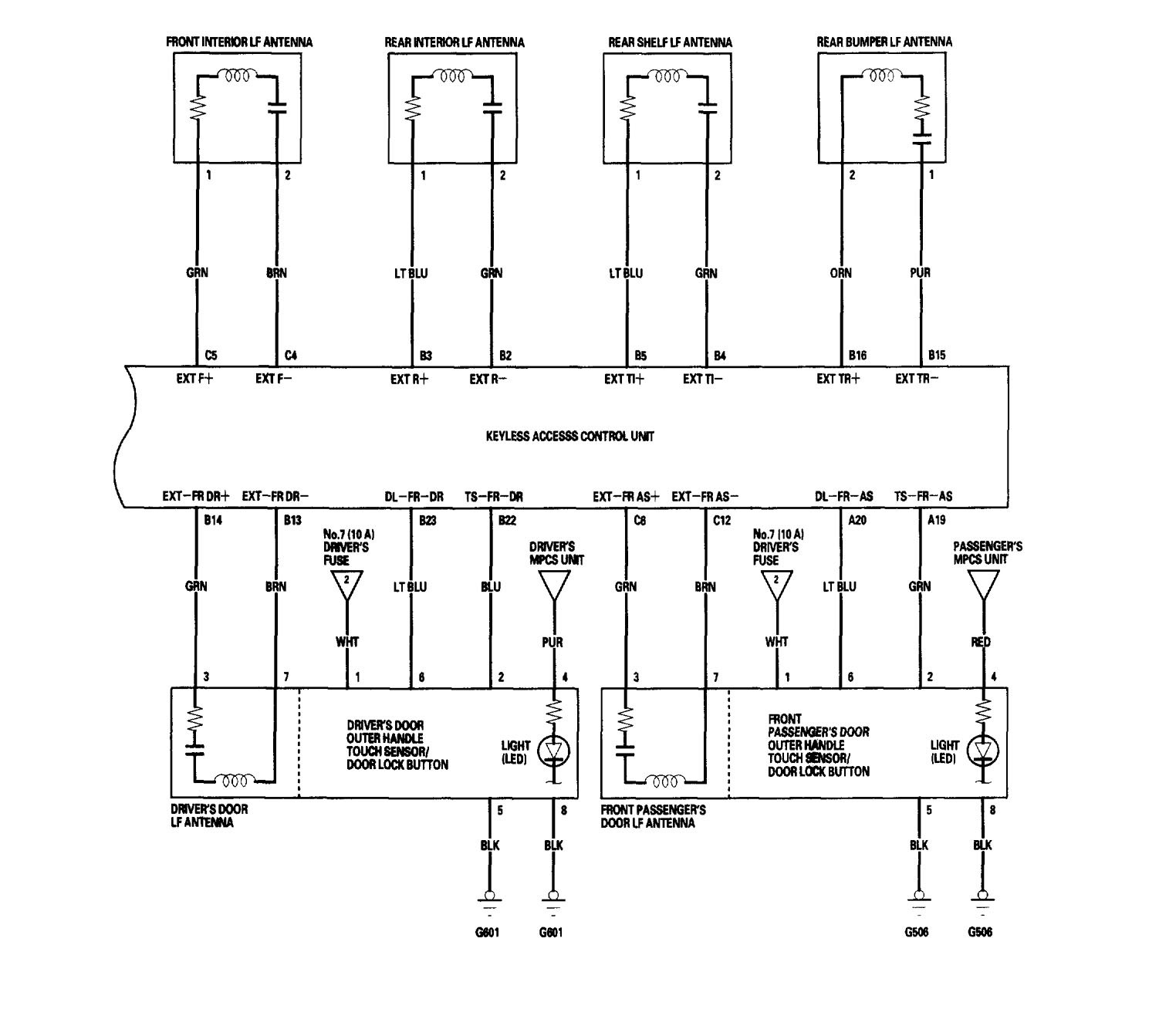
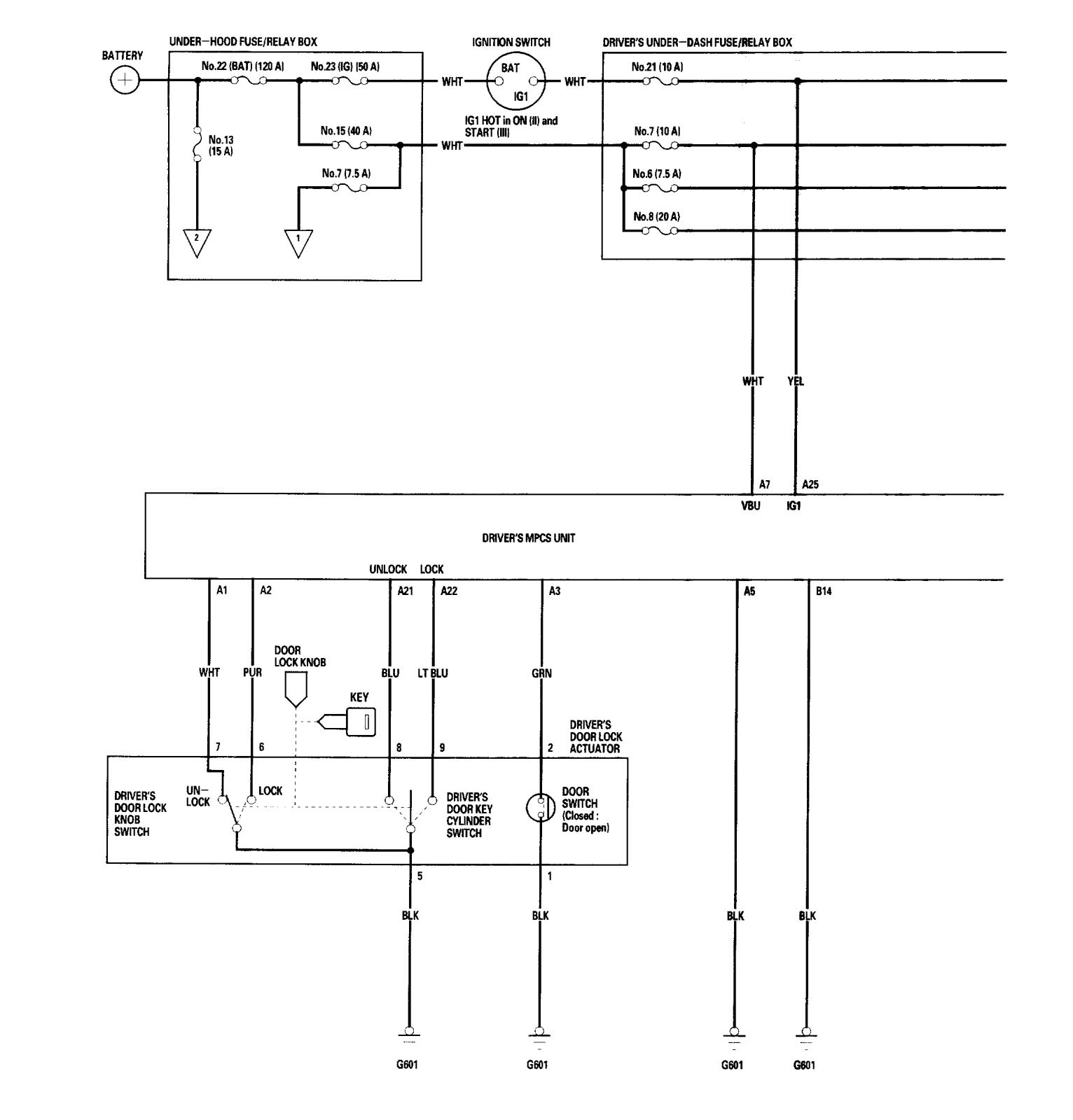
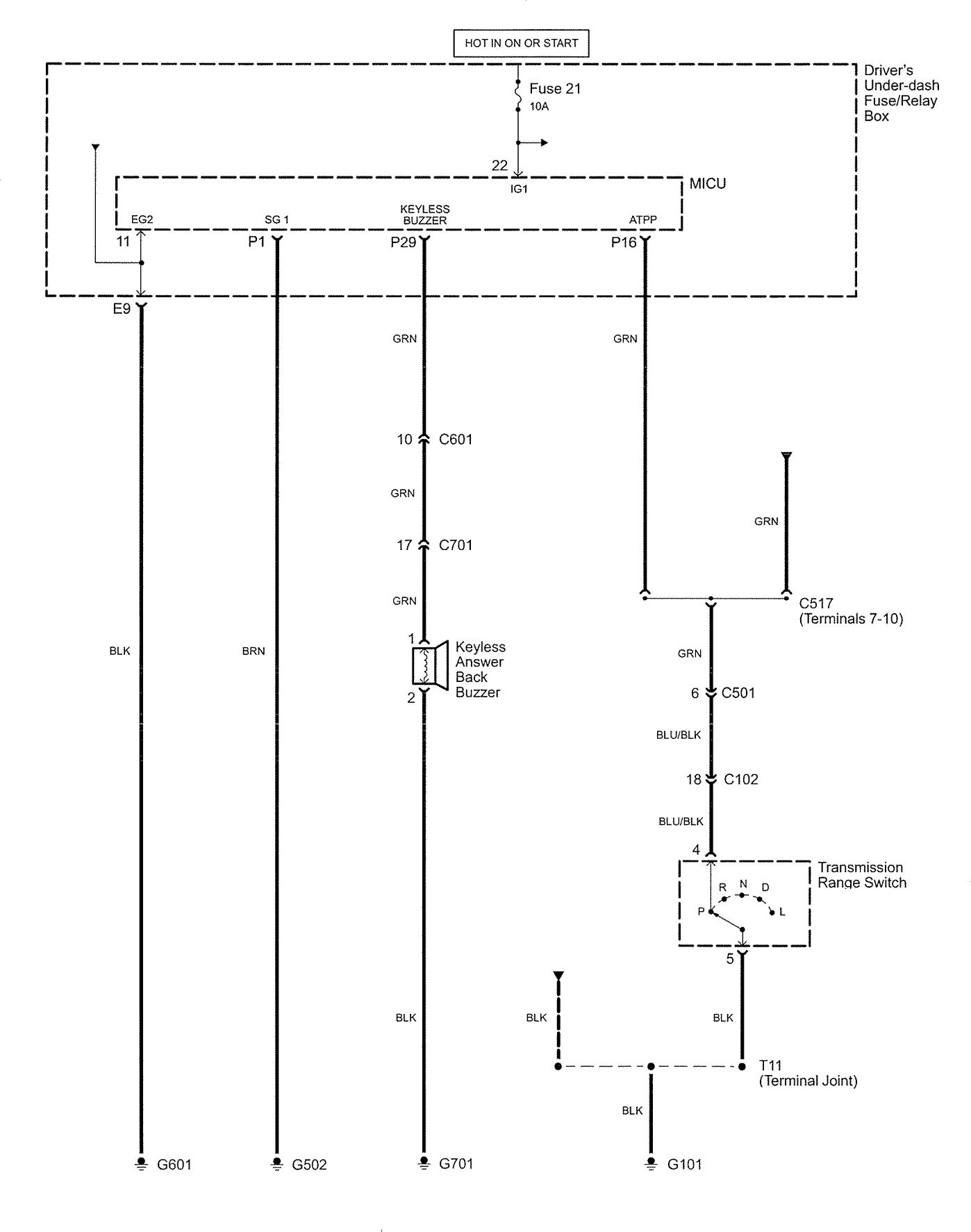
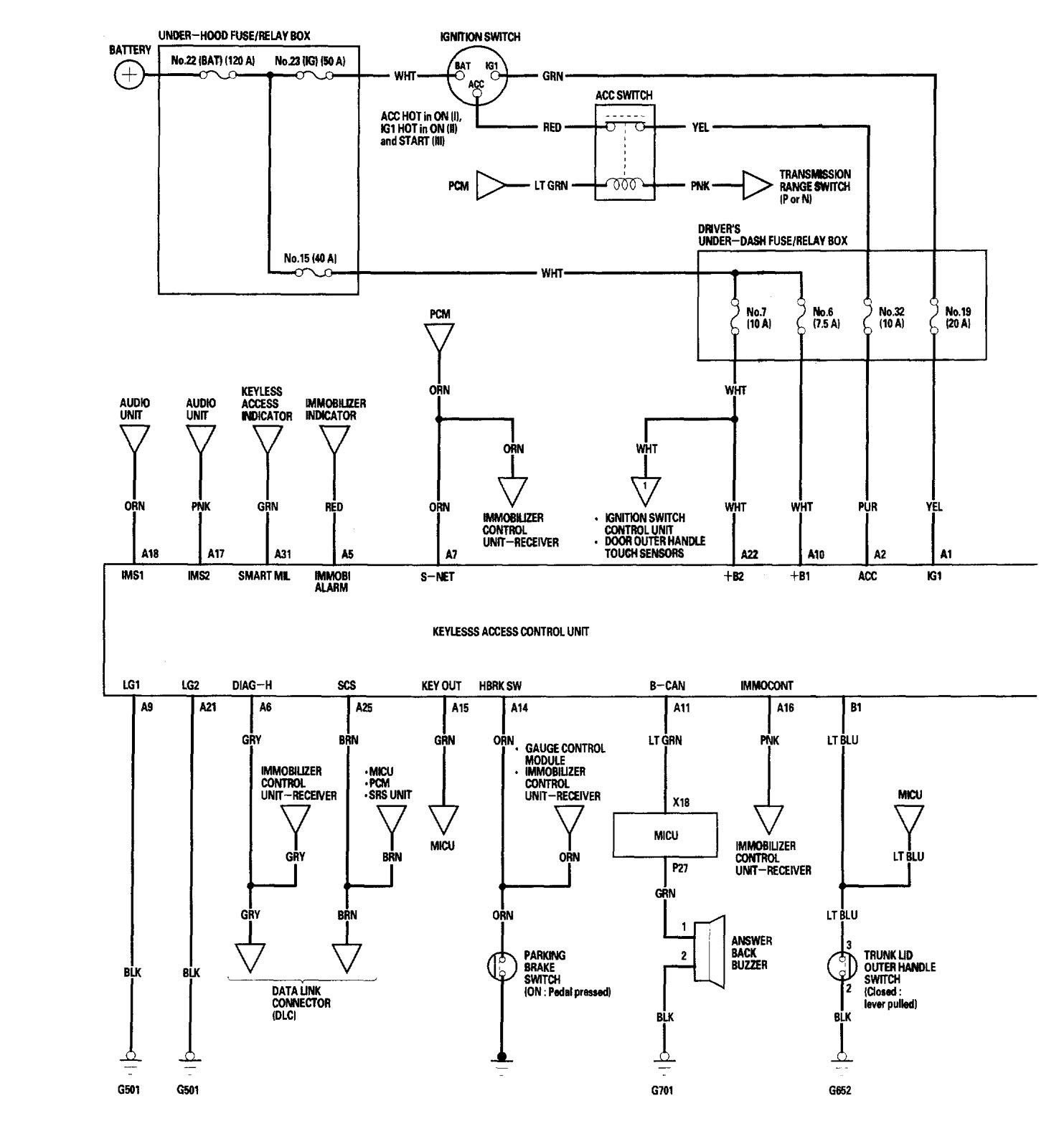
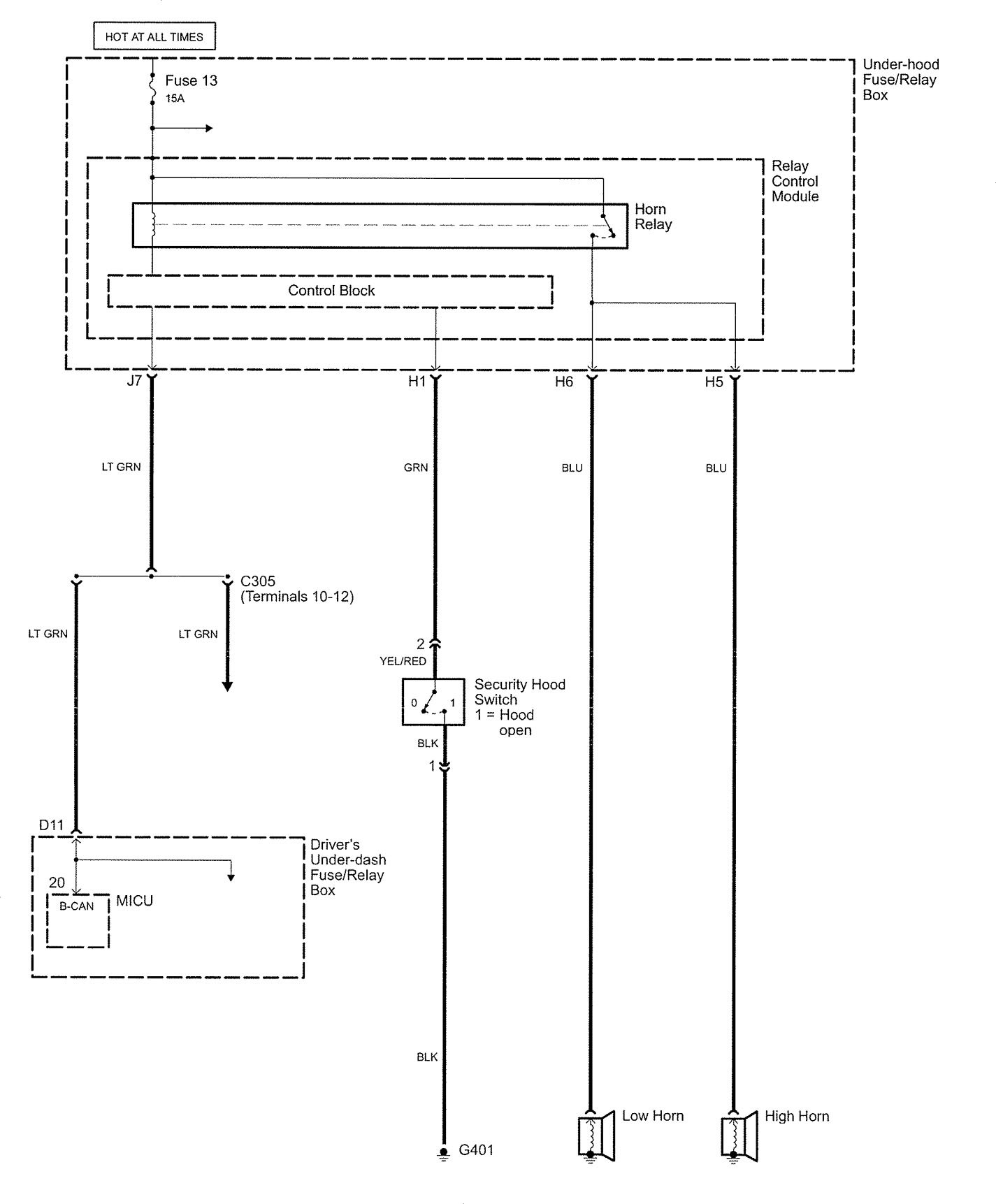
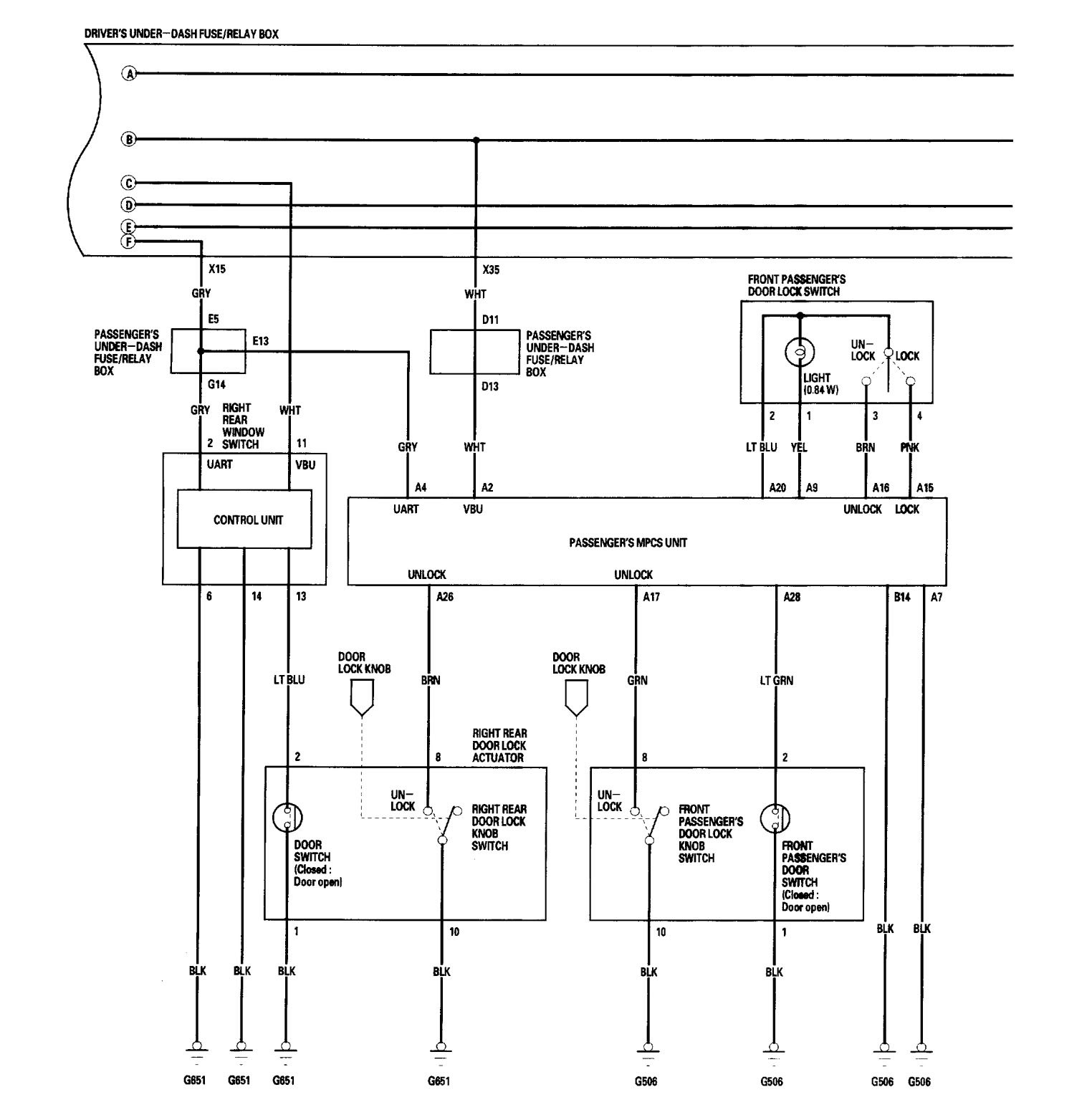
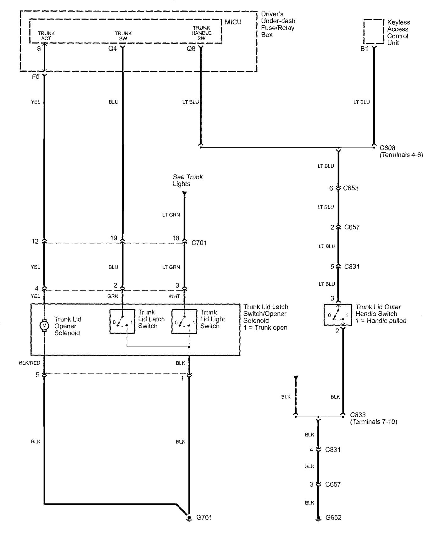
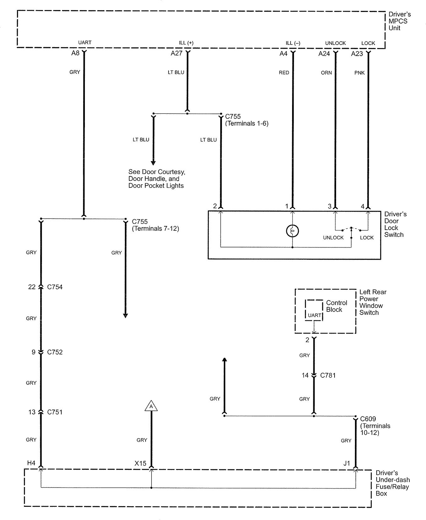
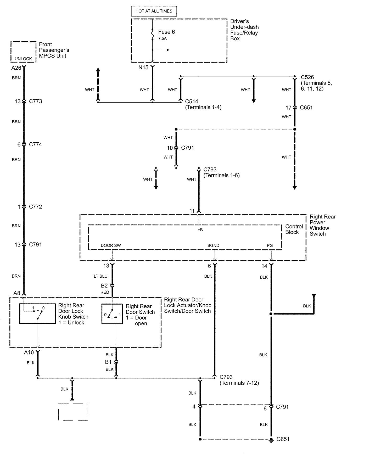
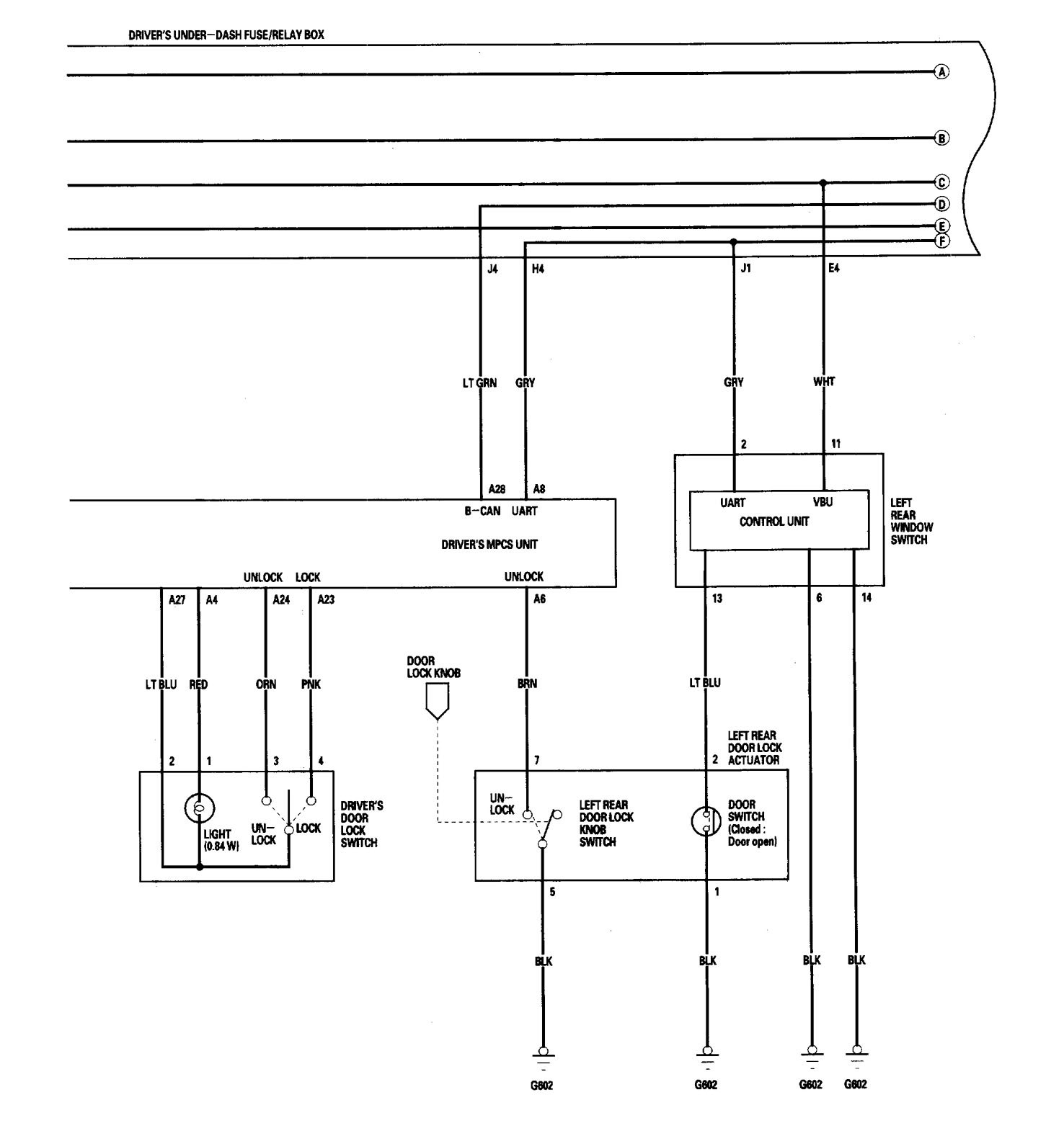
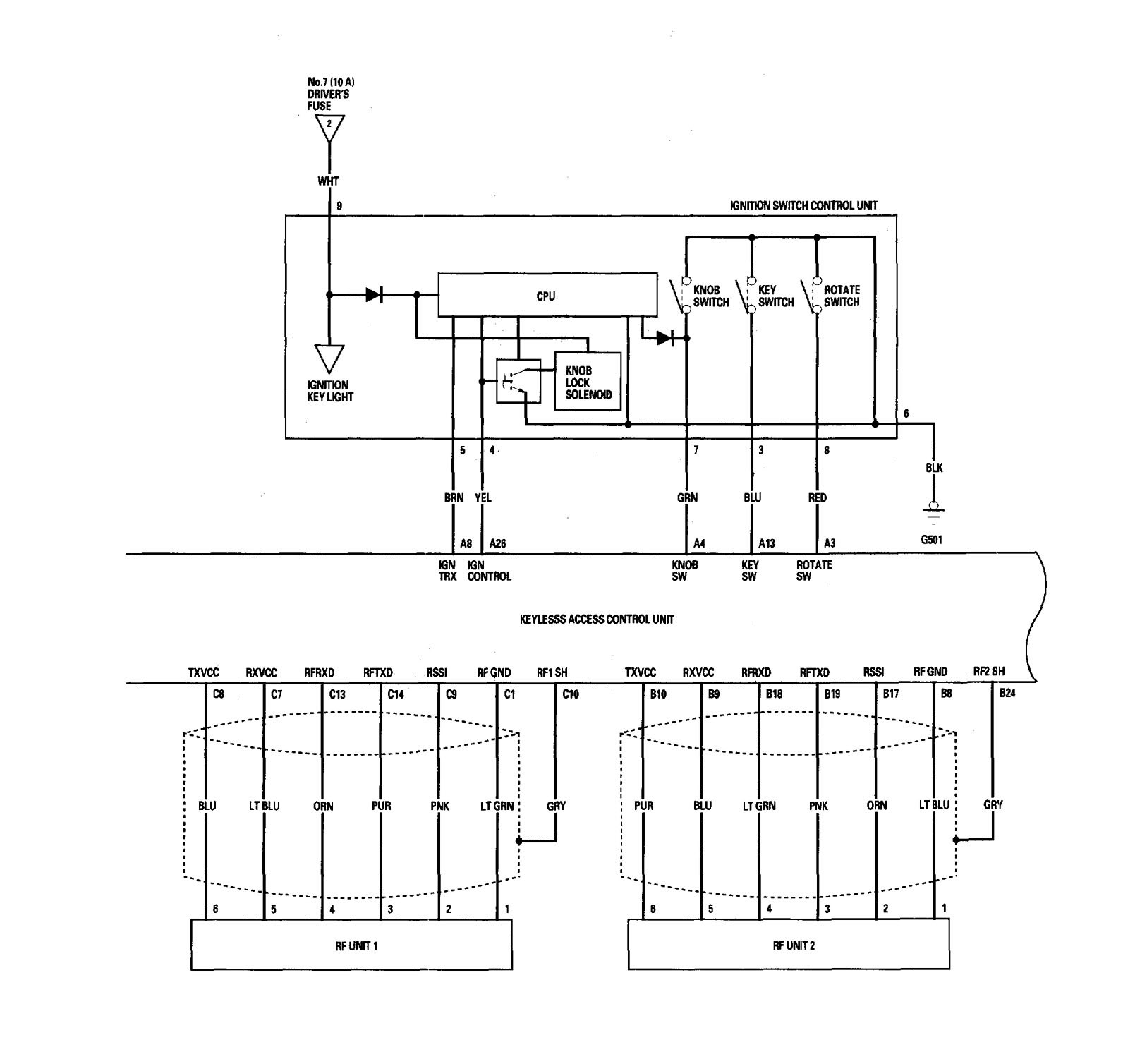
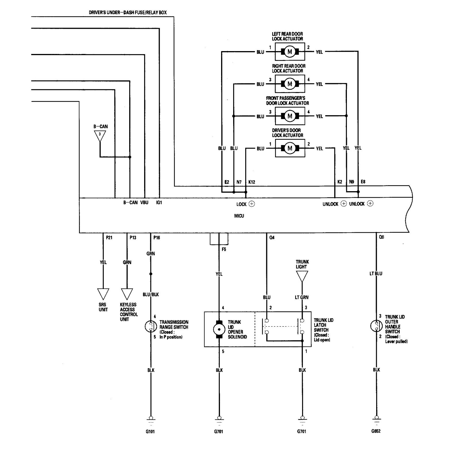
Acura RL (2006) – wiring diagrams – keyless entry
Year of productions: 2006
Keyless entry
Version 1











Version 2





Version 3



WARNING: Terminal and harness assignments for individual connectors will vary depending on vehicle equipment level, model, and market.
