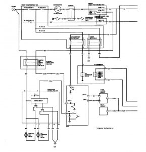
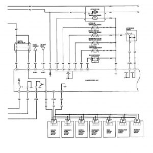
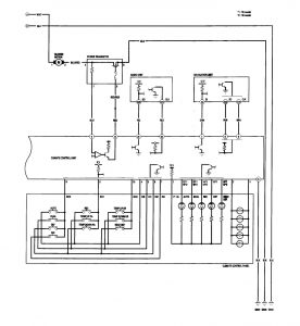
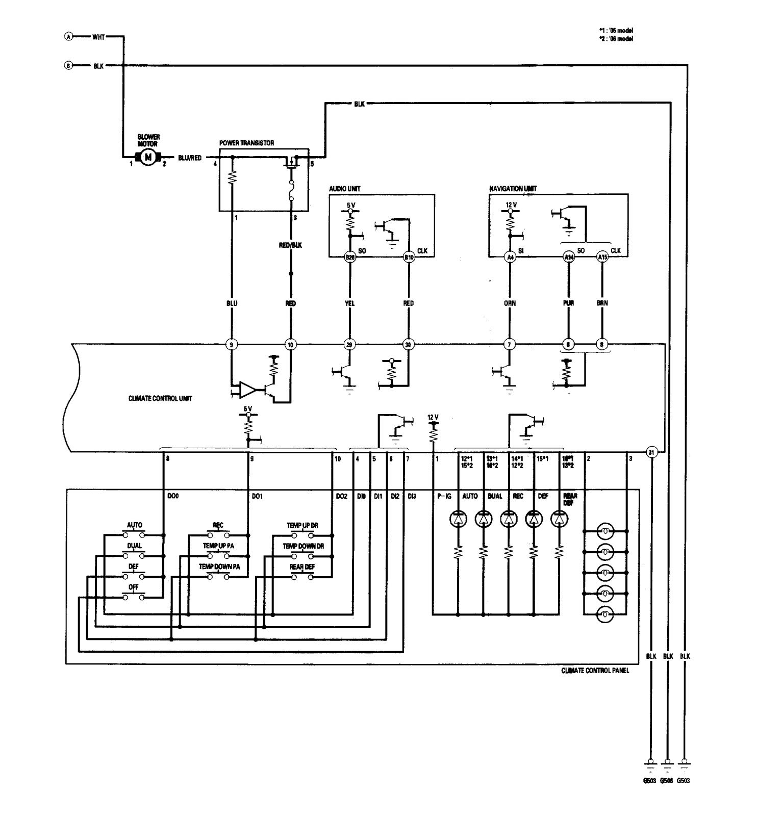
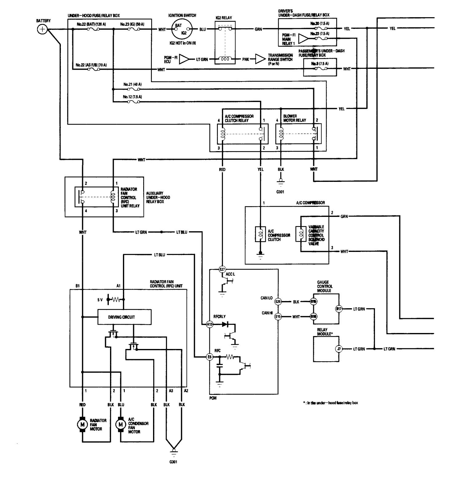
Acura RL (2006) – wiring diagrams – HVAC controls
Year of productions: 2006
HVAC controls
Version 1










Version 2

Version 3

Version 4



WARNING: Terminal and harness assignments for individual connectors will vary depending on vehicle equipment level, model, and market.
