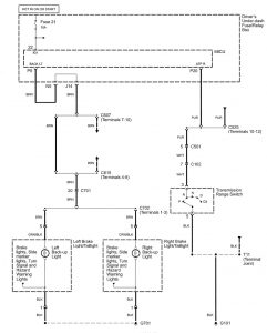
Acura RL (2005) – wiring diagrams – reverse lamp
Year of production: 2005
Reverse lamp

WARNING: Terminal and harness assignments for individual connectors will vary depending on vehicle equipment level, model, and market.
Copyright © 2026 | MH Magazine WordPress Theme by MH Themes