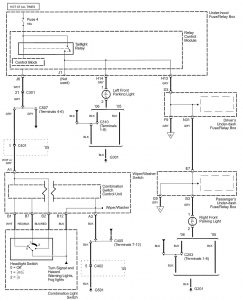
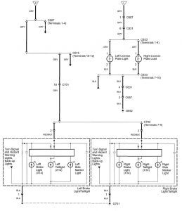
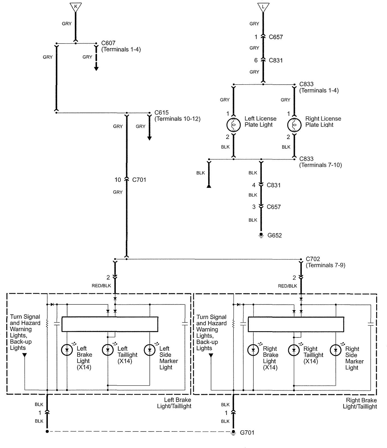
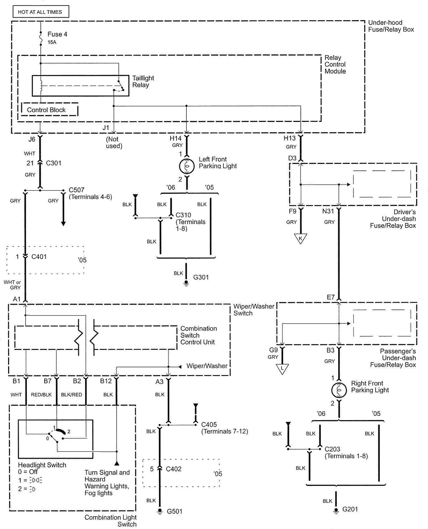
Acura RL (2005 – 2006) – wiring diagrams – license plate lamp
Year of production: 2005, 2006
License plate lamp


WARNING: Terminal and harness assignments for individual connectors will vary depending on vehicle equipment level, model, and market.
Year of production: 2005, 2006


WARNING: Terminal and harness assignments for individual connectors will vary depending on vehicle equipment level, model, and market.
Copyright © 2026 | MH Magazine WordPress Theme by MH Themes