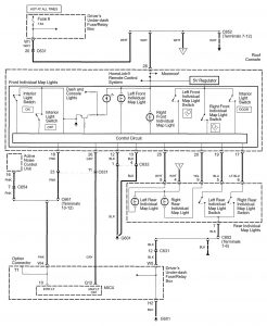
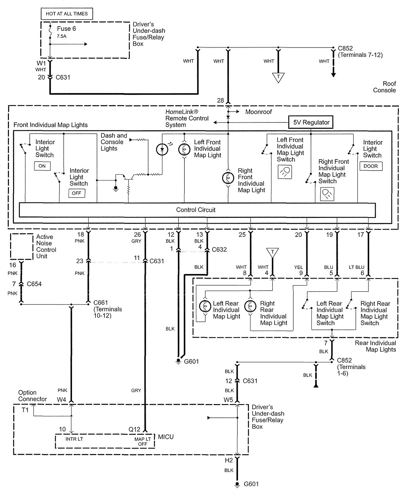
Acura RL (2005 – 2006) – wiring diagram – map lamp
Year of productions: 2005, 2006
Map lamp

WARNING: Terminal and harness assignments for individual connectors will vary depending on vehicle equipment level, model, and market.
Copyright © 2026 | MH Magazine WordPress Theme by MH Themes