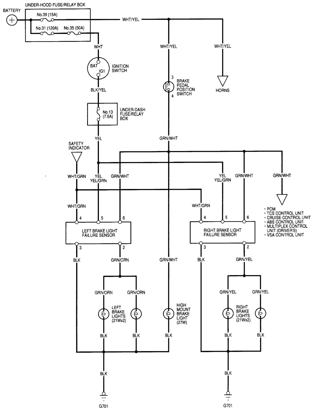
Acura RL (2000 – 2002) – wiring diagrams – stop lamp
Year of production: 2000, 2001, 2002
Stop lamp

WARNING: Terminal and harness assignments for individual connectors will vary depending on vehicle equipment level, model, and market.
Copyright © 2026 | MH Magazine WordPress Theme by MH Themes