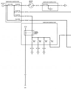
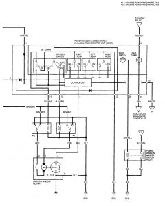
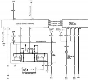
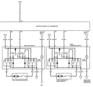
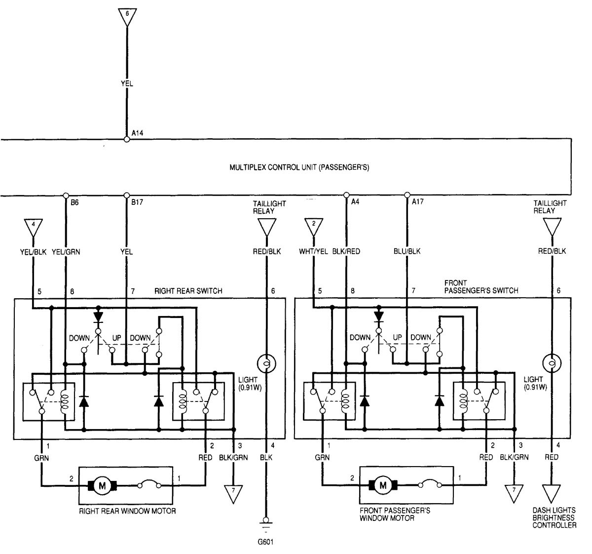
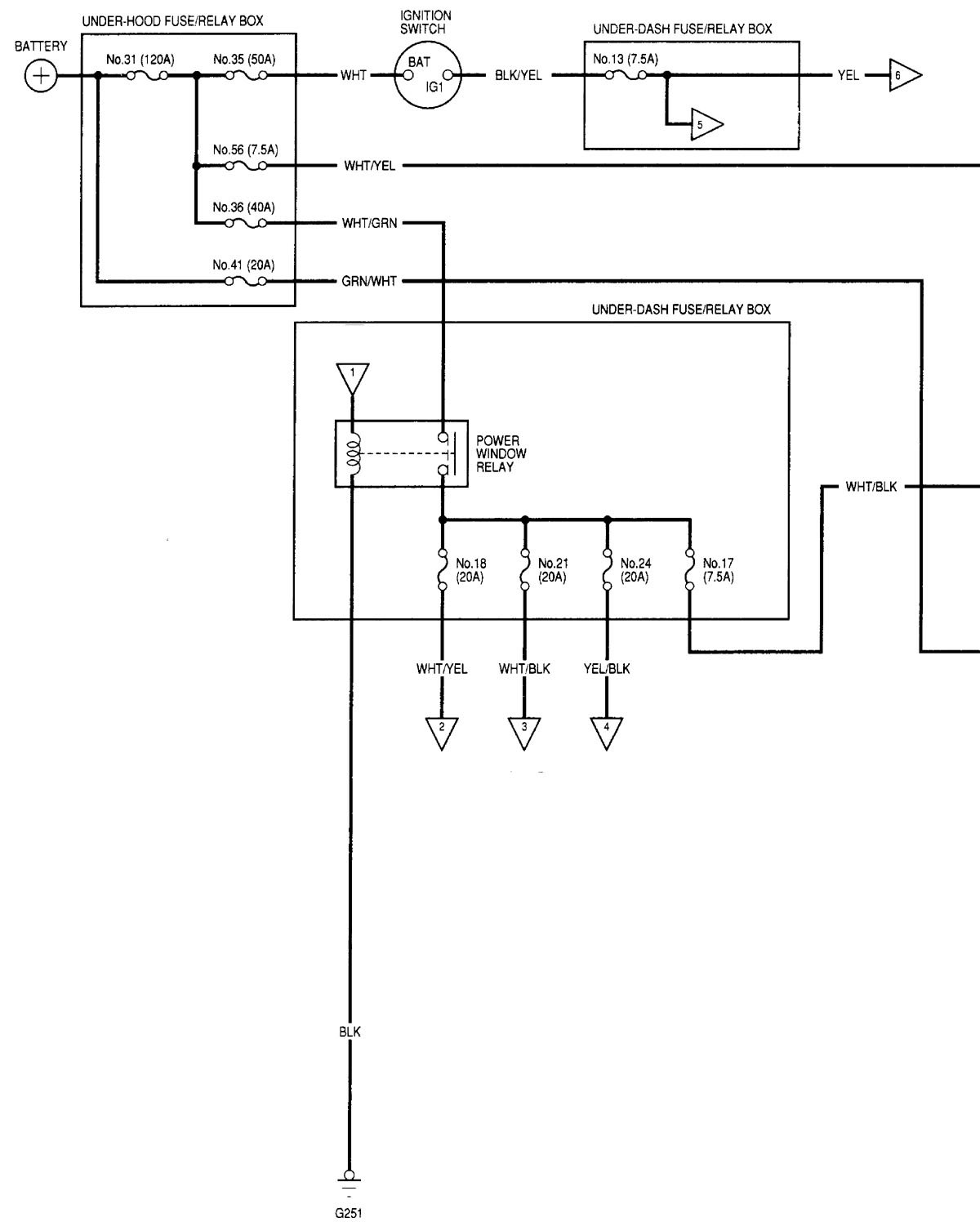
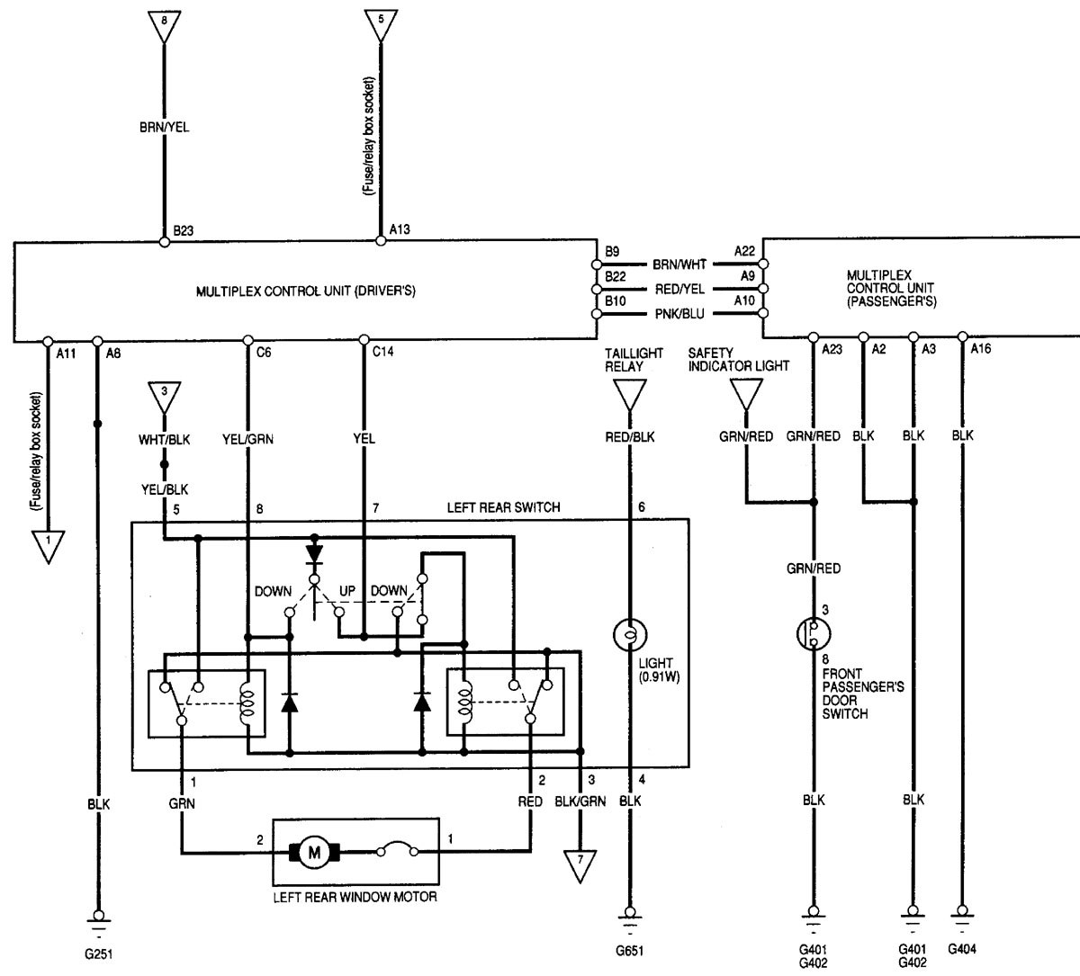
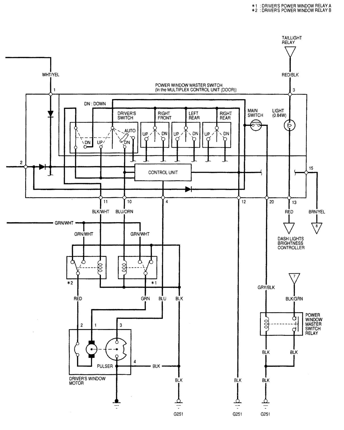
Acura RL (2000 – 2001) – wiring diagrams – power windows
Year of productions: 2000, 2001
Power windows




WARNING: Terminal and harness assignments for individual connectors will vary depending on vehicle equipment level, model, and market.
Year of productions: 2000, 2001




WARNING: Terminal and harness assignments for individual connectors will vary depending on vehicle equipment level, model, and market.
Copyright © 2025 | MH Magazine WordPress Theme by MH Themes