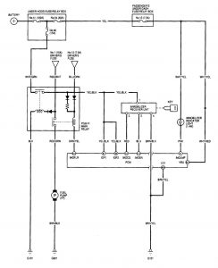
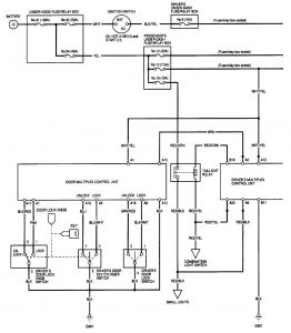
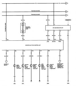
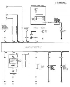
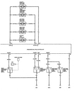
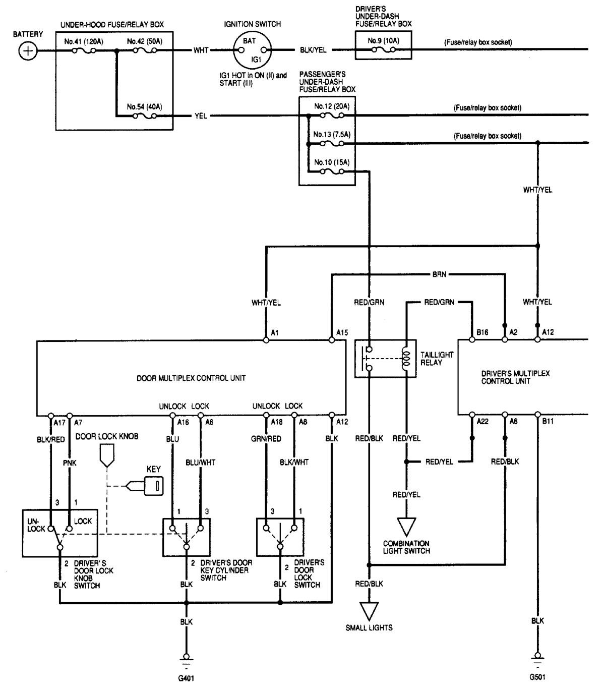
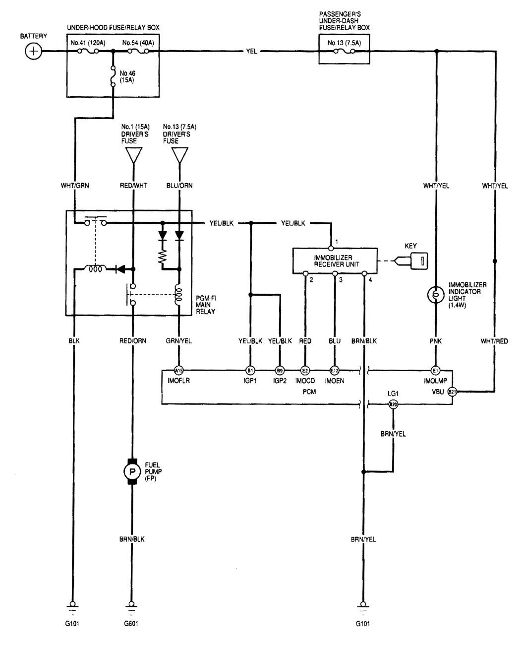
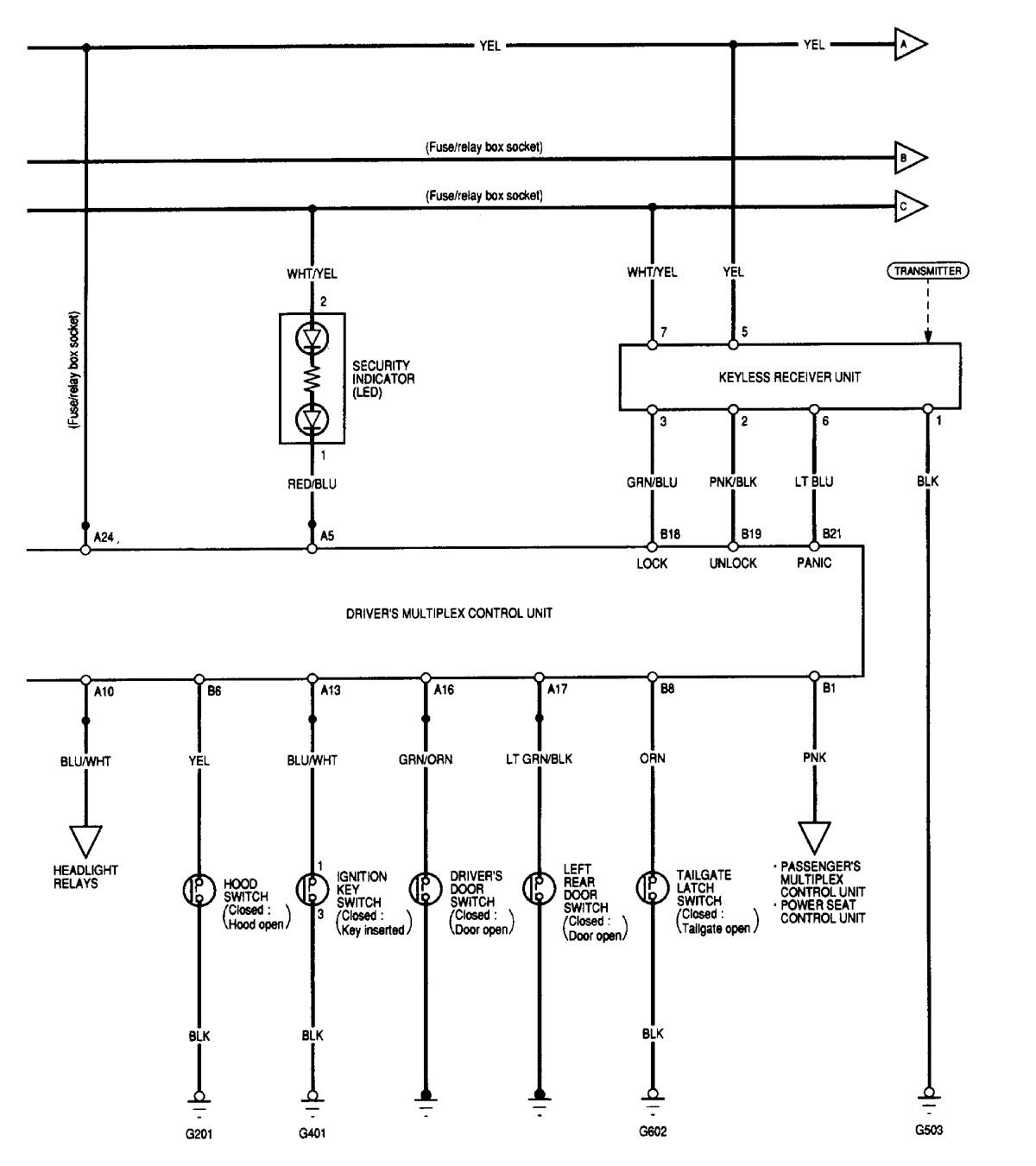
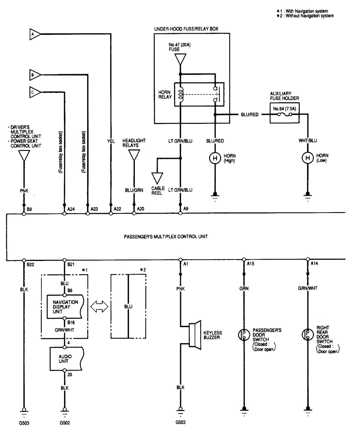
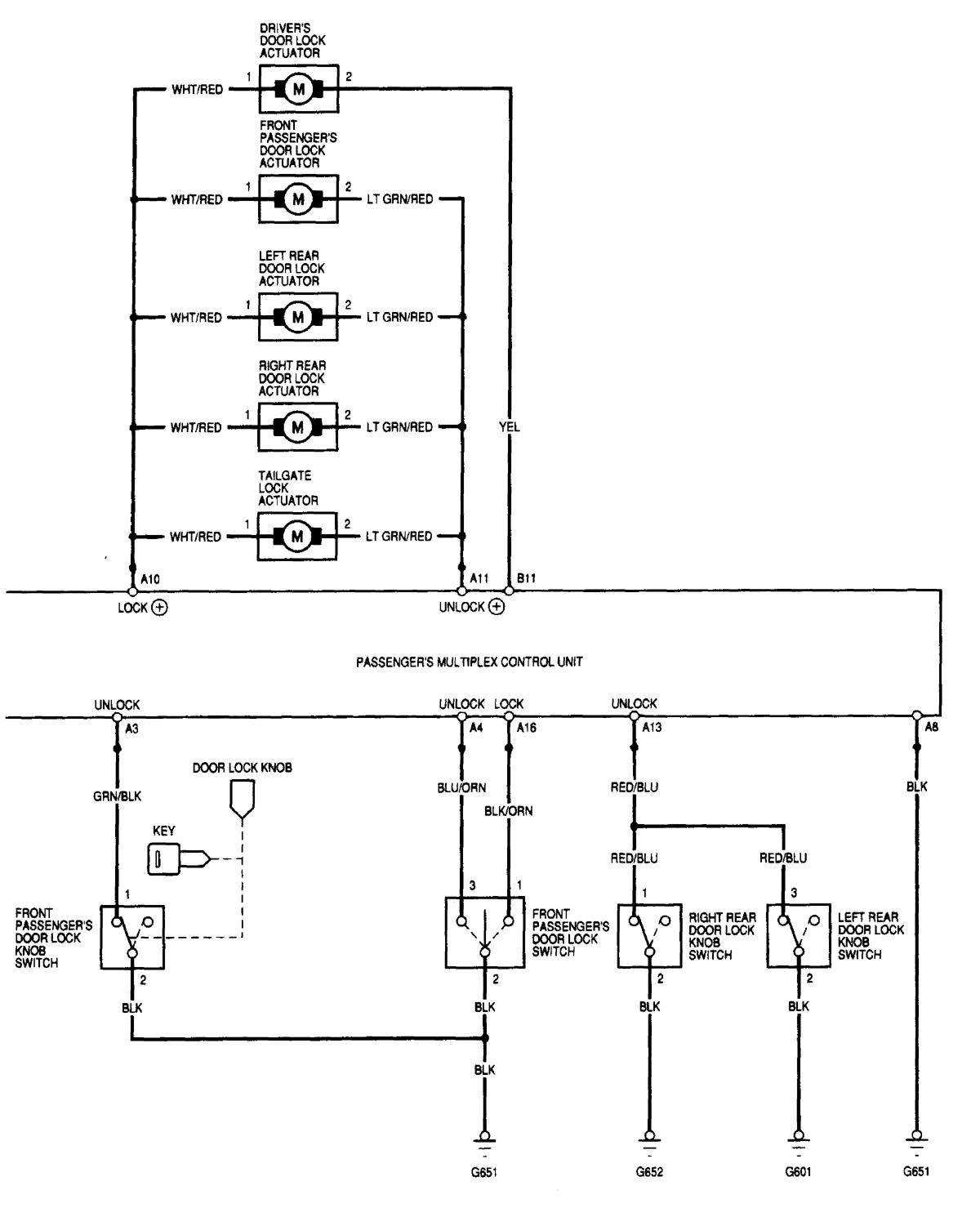
Acura MDX (2001) – wiring diagrams – security/anti-theft
Year of production: 2001
Security/anti-theft
Version 1

Version 2




WARNING: Terminal and harness assignments for individual connectors will vary depending on vehicle equipment level, model, and market.
