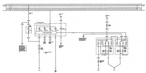
Acura Legend (1993) – wiring diagram – indicator lamp
Year of productions: 1993
Indicator lamp

WARNING: Terminal and harness assignments for individual connectors will vary depending on vehicle equipment level, model, and market.
Copyright © 2026 | MH Magazine WordPress Theme by MH Themes