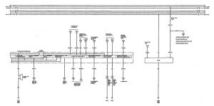
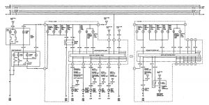
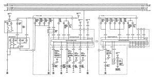
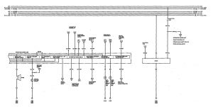
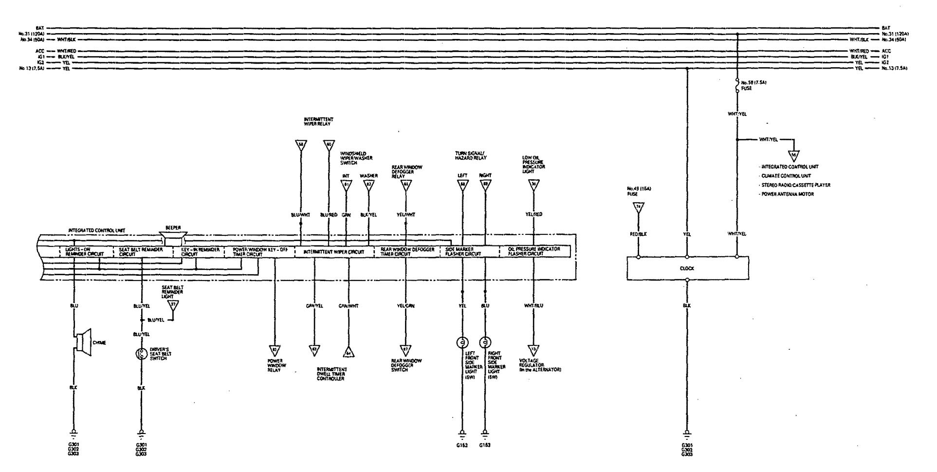
Acura Legend (1993) – wiring diagram – driver information center/message center
Year of productions: 1993
Driver information center/message center
Version 1


Version 2


WARNING: Terminal and harness assignments for individual connectors will vary depending on vehicle equipment level, model, and market.
