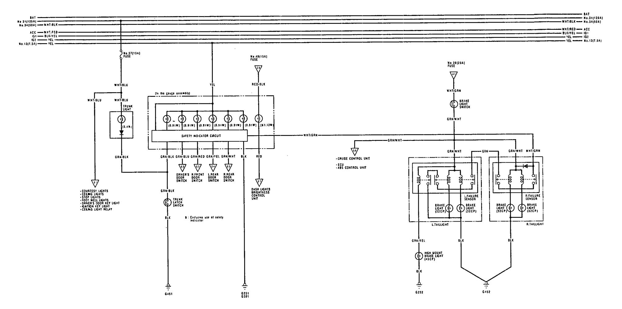
Acura Legend (1992) – wiring diagrams – warning indicator
Year of productions: 1992
Warning indicator
Version 1

Version 2

WARNING: Terminal and harness assignments for individual connectors will vary depending on vehicle equipment level, model, and market.
