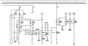
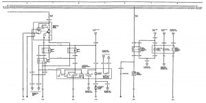
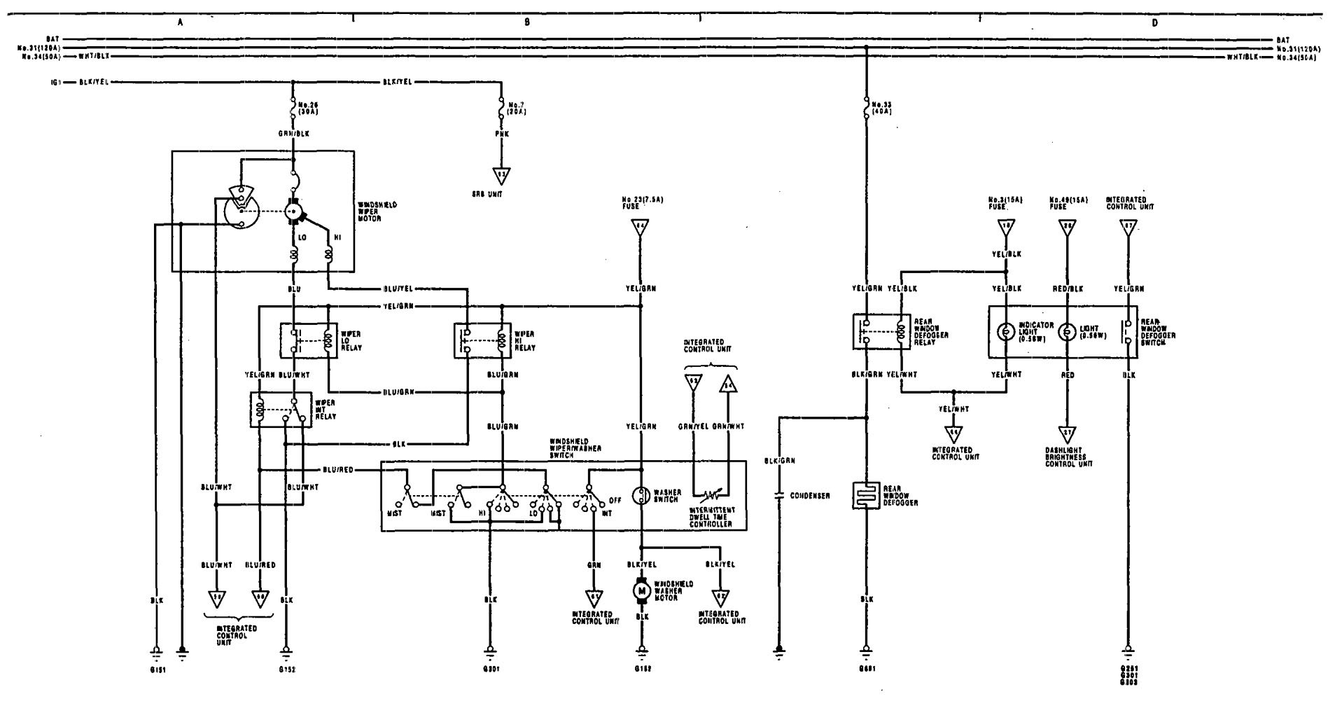
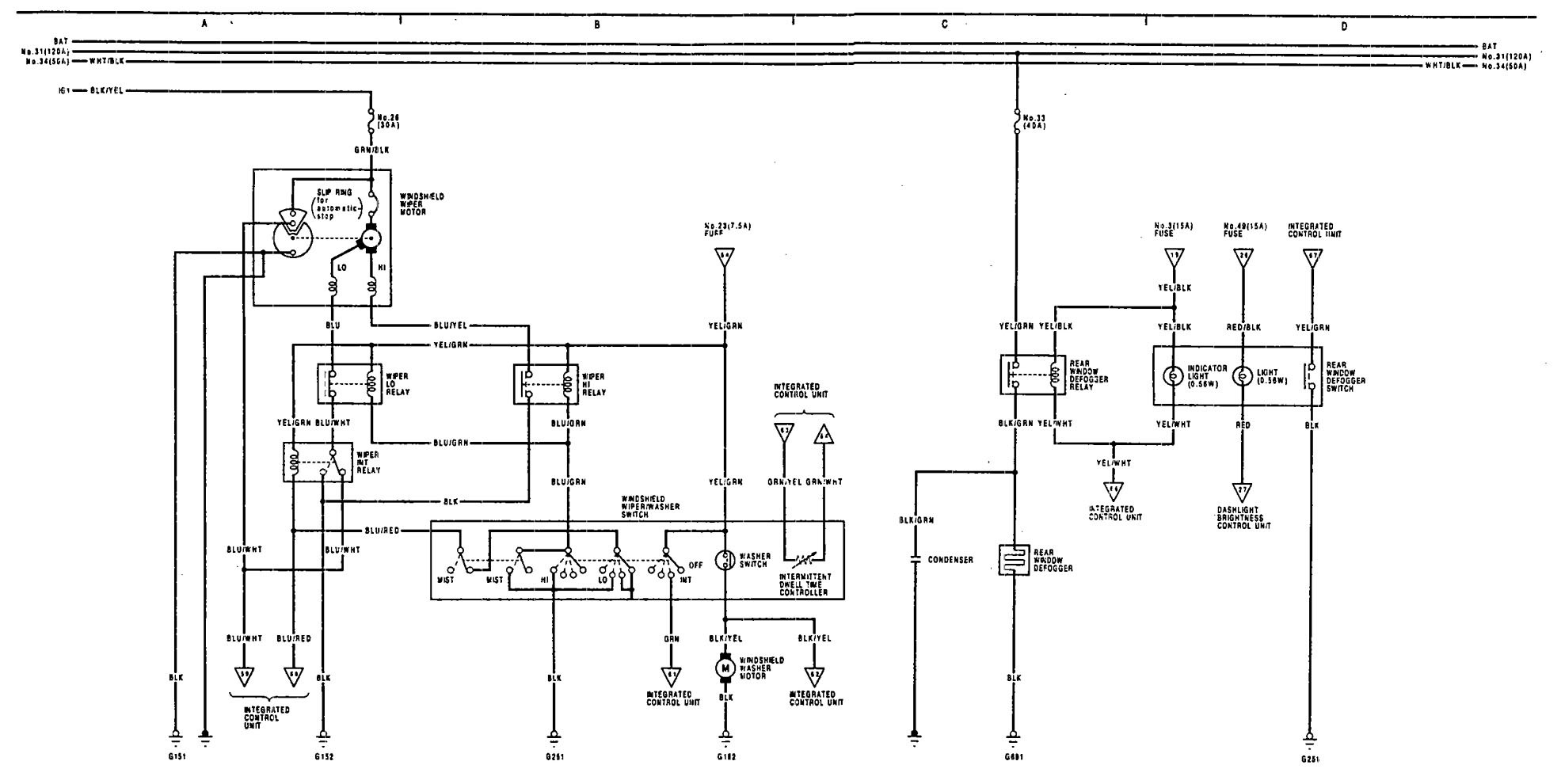
Acura Legend (1991) – wiring system – rear window defogger
Year of productions: 1991
Rear window defogger
Version 1

Version 2

WARNING: Terminal and harness assignments for individual connectors will vary depending on vehicle equipment level, model, and market.
