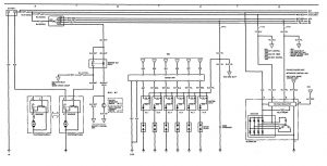
Acura Legend (1991) – wiring diagram – charging system
Year of productions: 1991
Charging system

WARNING: Terminal and harness assignments for individual connectors will vary depending on vehicle equipment level, model, and market.
Copyright © 2025 | MH Magazine WordPress Theme by MH Themes