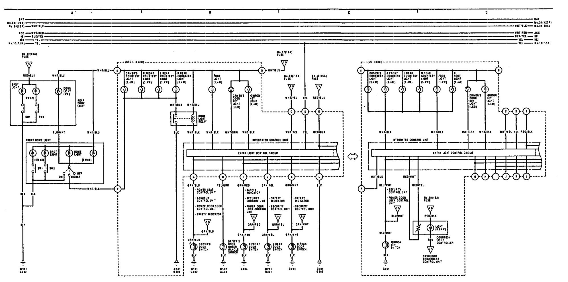
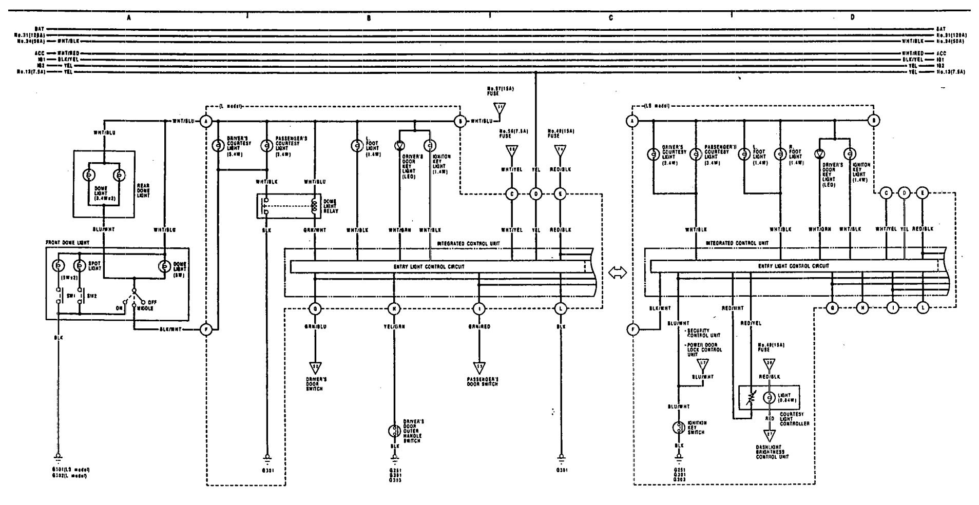
Acura Legend (1991 – 1992) – wiring diagram – illuminated entry
Year of productions: 1991, 1992
Illuminated entry
Version 1


Version 2

WARNING: Terminal and harness assignments for individual connectors will vary depending on vehicle equipment level, model, and market.
