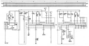
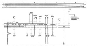
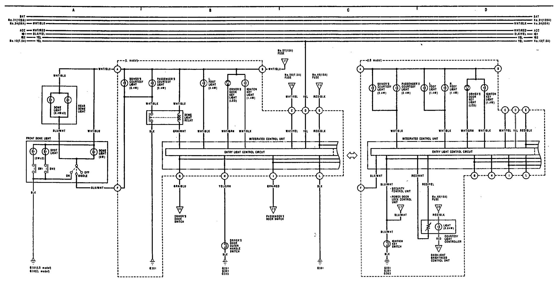
Acura Legend (199 – 1992) – wiring diagram – courtesy lamp
Year of productions: 1991, 1992
Courtesy lamp


WARNING: Terminal and harness assignments for individual connectors will vary depending on vehicle equipment level, model, and market.
Year of productions: 1991, 1992


WARNING: Terminal and harness assignments for individual connectors will vary depending on vehicle equipment level, model, and market.
Copyright © 2026 | MH Magazine WordPress Theme by MH Themes