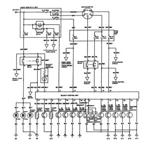
Acura Legend (1988) – wiring system – security/anti-theft
Year of productions: 1988
Security/anti-theft

WARNING: Terminal and harness assignments for individual connectors will vary depending on vehicle equipment level, model, and market.
Copyright © 2026 | MH Magazine WordPress Theme by MH Themes
Leave a Reply