Mercedes-Benz 600SEC (1993) – wiring diagrams – instrumentation Year of productions: 1993 Instrumentation WARNING: Terminal and harness assignments for individual connectors will vary depending on vehicle equipment level, model, and market.
Acura TL (2006) – wiring diagrams – turn signal lamp Year of productions: 2006 Turn signal lamp Version 1 Version 2 WARNING: Terminal and harness assignments for individual connectors will vary depending on vehicle equipment […]
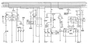
Acura TL (2005) – wiring diagrams – interior lighting Year of productions: 2005 Interior lighting WARNING: Terminal and harness assignments for individual connectors will vary depending on vehicle equipment level, model, and market.
Leave a Reply