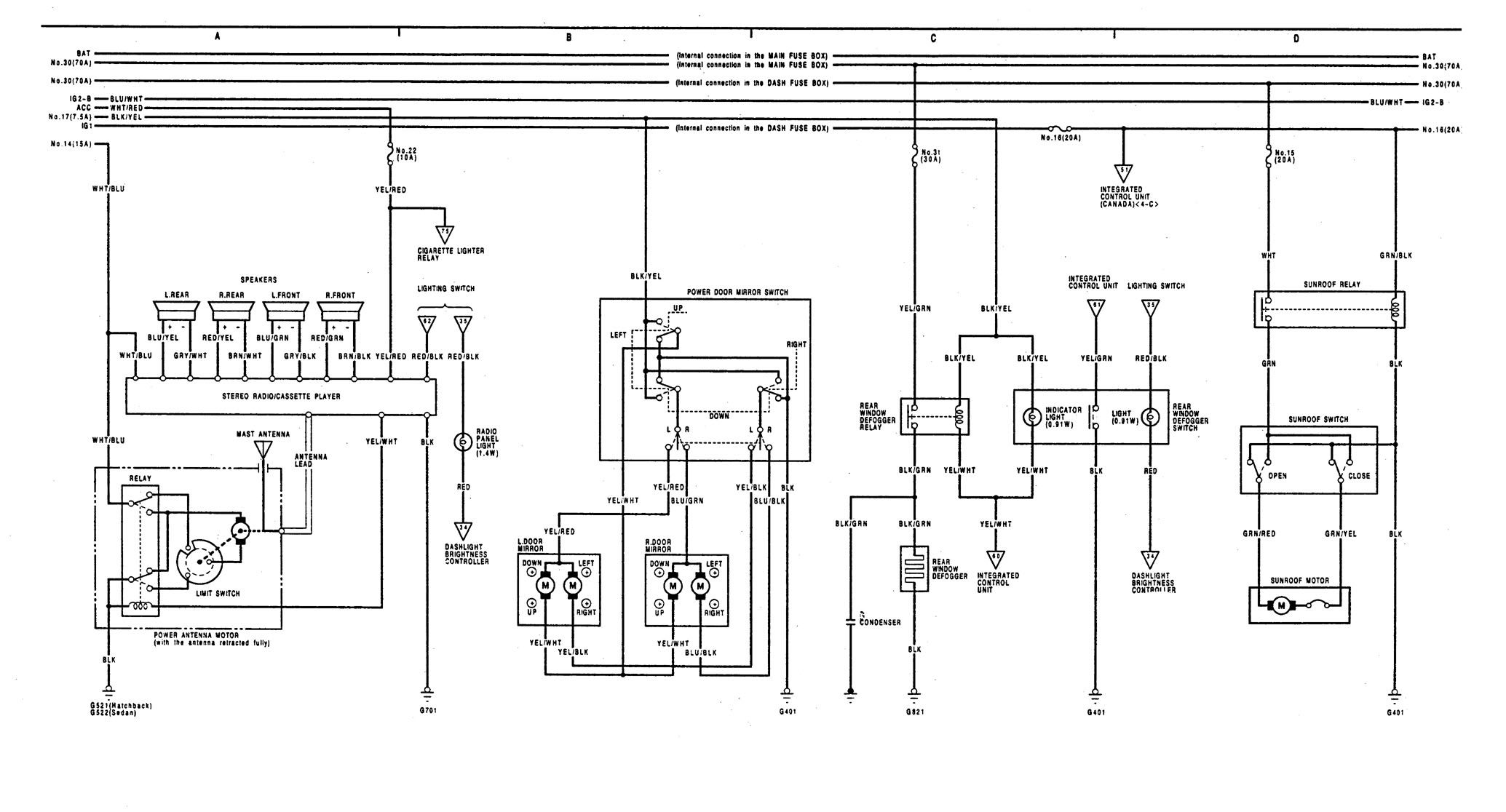
Acura Integra (1991) – wiring diagrams – audio system
Year of productions: 1991
Audio system

WARNING: Terminal and harness assignments for individual connectors will vary depending on vehicle equipment level, model, and market.
Copyright © 2026 | MH Magazine WordPress Theme by MH Themes
Leave a Reply