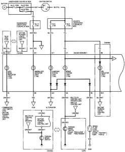
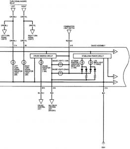
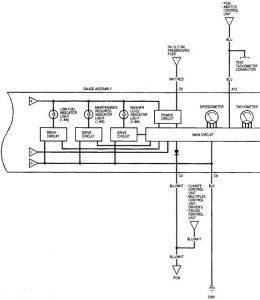
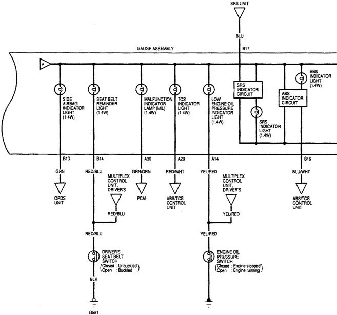
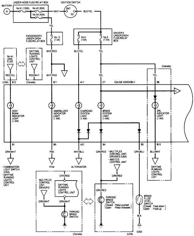
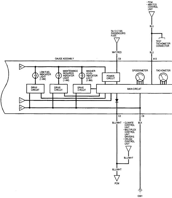
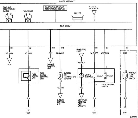
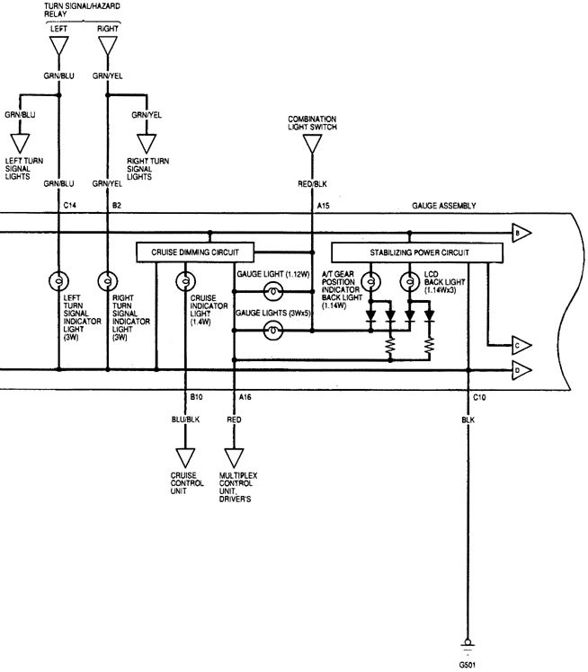
Acura TL (2000 – 2001) – wiring diagrams – instrumentation
Year of productions: 2000, 2001
Instrumentation

instrumentation (part 1)




WARNING: Terminal and harness assignments for individual connectors will vary depending on vehicle equipment level, model, and market.
